Y+Pin Type Joint
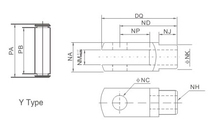
Overall Dimensions
| Symbol/Bore | 32 | 40 | 50 | 63 | 80 | 100 | 125 | 160 | 200 |
| NA | 19 | 25.4 | 32 | 32 | 44.4 | 44.4 | 55 | 80 | 80 |
| NB | 20 | 21 | 32 | 32 | 40 | 40 | 45 | 54 | 54 |
| NC | 10 | 12 | 16 | 16 | 20 | 20 | 25 | 30 | 30 |
| ND | 40 | 48 | 64 | 64 | 80 | 80 | 110 | 120 | 120 |
| NE | 52 | 67 | 89 | 89 | 112 | 112 | 155 | 130 | 130 |
| NF | 15 | 24 | 32 | 32 | 40 | 40 | 40 | 35 | 35 |
| NG | 20 | 20 | 23 | 23 | 30 | 30 | 56 | 50 | 50 |
| NH | M10* 1.25 | M12* 1.25 | M16* 1.5 | M16* 1.5 | M20* 1.5 | M20* 1.5 | M27*2 | M36* 2 | M36*2 |
| NJ | 12 | 20 | 22 | 22 | 30 | 30 | 30 | 40 | 40 |
| NK | 18 | 3 | 30 | 30 | 39 | 39 | 54 | 54 | 54 |
| NM | 10 | 12 | 16 | 16 | 20 | 20 | 48 | 40 | 40 |
| NP | 20 | 24 | 32 | 32 | 40 | 40 | 64 | 35 | 35 |
| NQ | 52 | 62 | 83 | 83 | 105 | 105 | 148 | 150 | 150 |
| PA | 25 | 32.8 | 39.3 | 39.3 | 53.3 | 53.3 | 64 | 91 | 91 |
| PB | 19.5 | 26.5 | 33 | 33 | 45 | 45 | 55 | 81 | 81 |


