XMFY In Line Pulse Valve
SERIES: XMFY In Line Pulse Valve
XMFY In Line Pulse Valve
FEATURES
|
|
0.3~0.8MPa
|
|
|
-5~55℃
|
|
|
<85%
|
|
|
Clean Air
|
|
|
AC110V/AC220V/DC24V
|
|
|
Over One Million Cycles
|
Ordering Code
Specification
|
Model
|
XMF-Y-50S
|
XMF-Y-62S
|
XMF-Y-76S
|
|
Working Pressure
|
0.3~0.8MPa
|
||
|
Ambient Temperature
|
-5~55℃
|
||
|
Relatively Humidity
|
<85%
|
||
|
Working Medium
|
Clean Air
|
||
|
VoItage
|
AC110V/AC220V/DC24V
|
||
|
Diaphragm Life Cycles
|
Over One Million Cycles
|
||
|
Orifice(mm)
|
φ50
|
φ62
|
φ76
|
|
Connection Port
|
G2"
|
G2"-1/2"
|
G3"
|
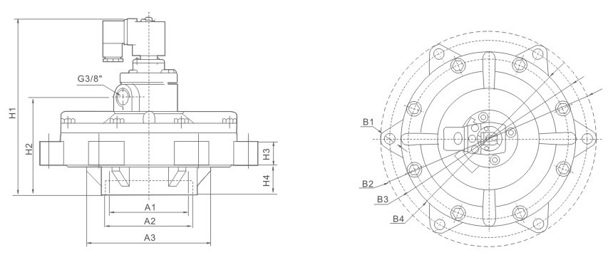
Overall Dimensions
|
Model
|
A1
|
A2
|
A3
|
B1
|
B2
|
B3
|
B4
|
H1
|
H2
|
H3
|
H4
|
|
XMF-Y-50S
|
φ64.5
|
φ78.5
|
φ118
|
6-φ11.5
|
φ200
|
φ180
|
φ159
|
187
|
100
|
25
|
31
|
|
XMF-Y-62S
|
φ80
|
φ93.5
|
φ145
|
6-φ11
|
φ226
|
φ204
|
φ185
|
197
|
107
|
34.5
|
35
|
|
XMF-Y-76S
|
φ90
|
φ99
|
φ141
|
6-φ11
|
φ248
|
φ227
|
φ200
|
205
|
113
|
27
|
34
|


