|
|
Air(non-lube) |
|||||||
|
|
0.6 MPa (6.1kgf/cm2)/Note |
|||||||
|
|
0~60℃(No freezing) |
|||||||
|
|
0~190° |
|||||||
|
|
190° |
|||||||
|
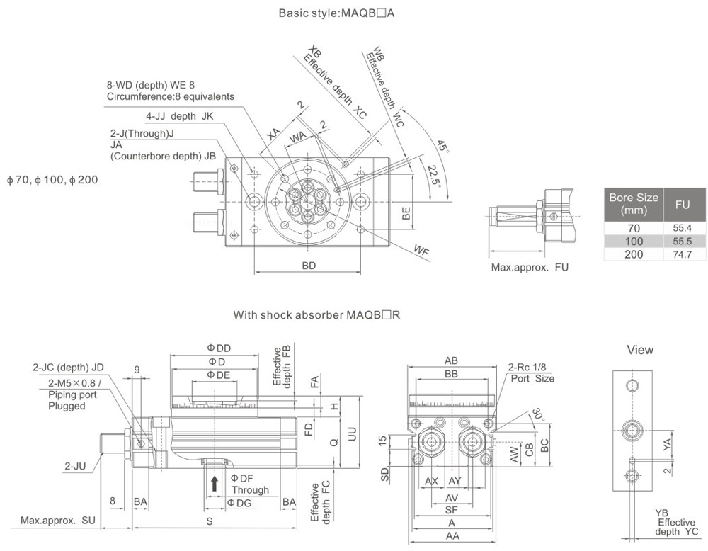
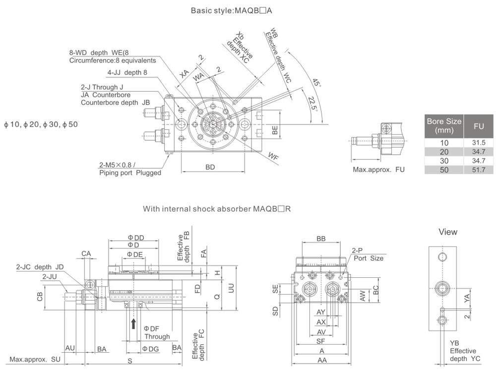
Bore(mm) |
10 |
20 |
30 |
50 |
70 |
100 |
200 |
|||
|
Fluid |
Air(non-lube) |
|||||||||
|
Max.pressure |
With adjustment bole |
1Mpa(10.2kgf/cm2) |
||||||||
|
R:With Shock Absorber |
0.6 MPa (6.1kgf/cm2)/Note |
|||||||||
|
Min.pressure |
Basic type |
0.1 Mpa(1.0kgf/cm2) |
||||||||
|
High precision type |
0.2 Mpa |
0.1 Mpa |
- |
|||||||
|
Ambient and fluid temperature |
0~60℃(No freezing) |
|||||||||
|
Cushion |
With adjustment bole |
Rubber bumper |
||||||||
|
R:With Shock Absorber |
Shock absorber |
|||||||||
|
Angle adjustment range |
0~190° |
|||||||||
|
Maximum rotation |
190° |
|||||||||
|
Piston bore |
φ15 |
φ18 |
φ21 |
φ25 |
φ28 |
φ32 |
φ40 |
|||
|
Port size |
End ports |
M5×0.8 |
RC1/8" |
|||||||
|
Side ports |
M5×0.8 |
|||||||||
|
Bore size |
AA |
A |
AU |
AV |
AW |
AX |
AY |
BA |
BB |
BC |
BD |
BE |
CA |
CB |
D |
DD |
DE |
DF |
|
10 |
55.4 |
50 |
8.6 |
20 |
15.5 |
12 |
4 |
9.5 |
34.5 |
27.8 |
60 |
27 |
4.5 |
28.5 |
46h9 |
46h9 |
20h9 |
5 |
|
20 |
70.8 |
65 |
10.6 |
27.5 |
16 |
14 |
5 |
12 |
46 |
30 |
67 |
34 |
6 |
30.5 |
60h9 |
61h9 |
28h9 |
9 |
|
30 |
75.4 |
70 |
10.6 |
29 |
18.5 |
14 |
5 |
12 |
50 |
32 |
84 |
37 |
6.5 |
33.5 |
65h9 |
67h9 |
32h9 |
9 |
|
50 |
85.4 |
80 |
14 |
38 |
22 |
19 |
6 |
15.5 |
63 |
37.5 |
100 |
50 |
10 |
37.5 |
75h9 |
77h9 |
35h9 |
10 |
|
Bore size |
DG |
FA |
FB |
FC |
FD |
H |
J |
JA |
JB |
JC |
JD |
JJ |
JU |
P |
|
10 |
15h9 |
8 |
4 |
3 |
4.5 |
13 |
6.8 |
11
|
6.6 |
M8×1.25 |
12 |
M5×0.8 |
M8×1 |
M5×0.8 |
|
20 |
17h9 |
10 |
6 |
2.5 |
6.5 |
17 |
8.6 |
14
|
8.5 |
M10×1.5 |
15 |
M6×1 |
M10×1 |
M5×0.8 |
|
30 |
22h9 |
10 |
4.5 |
3 |
6.5 |
17 |
8.6 |
14
|
8.5 |
M10×1.5 |
15 |
M6×1 |
M10×1 |
RC 1/8 |
|
50 |
29h9 |
12 |
5 |
3 |
7.5 |
20 |
10.5 |
18
|
10.5 |
M12×1.75 |
18 |
M8×1.25 |
M14×1.5 |
RC 1/8 |
|
Bore size |
Q |
S |
SD |
SE |
SF |
SU |
UU |
WA |
WB |
WC |
WD |
WE |
WF |
XA |
XB |
XC |
YA |
YB |
YC |
|
10 |
34 |
92 |
9 |
13 |
45 |
17.7 |
47 |
15 |
3H9 |
3.5 |
M5×0.8 |
8 |
32 |
27 |
3H9 |
3.5 |
19 |
3H9 |
3.5 |
|
20 |
37 |
117 |
10 |
12 |
60 |
25 |
54 |
20.5 |
4H9 |
4.5 |
M6×1 |
10 |
43 |
36 |
4H9 |
4.5 |
24 |
4H9 |
4.5 |
|
30 |
40 |
127 |
11.5 |
14 |
65 |
25 |
57 |
23 |
4H9 |
4.5 |
M6×1 |
10 |
48 |
39 |
4H9 |
4.5 |
28 |
4H9 |
4.5 |
|
50 |
46 |
152 |
14.5 |
15 |
75 |
31.4 |
66 |
26.5 |
5H9 |
5.5 |
M8×1.25 |
12 |
55 |
45 |
5H9 |
5.5 |
33 |
5H9 |
5.5 |
|
Bore size |
AA |
AB |
A |
AV |
AW |
AX |
AY |
BA |
BB |
BC |
BD |
BE |
CB |
D |
DD |
DE |
|
70 |
90 |
92 |
84 |
42 |
25.5 |
27 |
8 |
17 |
75 |
44.5 |
110 |
57 |
36 |
88h9 |
90h9 |
46h9 |
|
100 |
101 |
102 |
95 |
50 |
29.5 |
27 |
8 |
17 |
85 |
50.5 |
130 |
66 |
42 |
98h9 |
100h9 |
56h9 |
|
200 |
119 |
120 |
113 |
60 |
36.5 |
36 |
10 |
24 |
103 |
65.5 |
150 |
80 |
57 |
116h9 |
118h9 |
64h9 |
|
Bore size |
DF |
DG |
FA |
FB |
FC |
FD |
H |
J |
JA
|
JB |
JC |
JD |
JJ |
JK |
JU |
|
70 |
16 |
22h9 |
12.5 |
5 |
3.5 |
6 |
22 |
10.4 |
17.5
|
10.5 |
M12×1.75 |
18 |
M8×1.25 |
10 |
M20×1.5 |
|
100 |
19 |
242h9 |
14.5 |
6 |
3.5 |
12 |
27 |
10.4 |
17.5
|
10.5 |
M12×1.75 |
18 |
M8×1.25 |
10 |
M20×1.5 |
|
200 |
24 |
32h9 |
16.5 |
9 |
5.5 |
15 |
32 |
14.2 |
20
|
12.5 |
M16×2 |
25 |
M12×1.75 |
13 |
M27×1.5 |
|
Bore size |
Q |
S |
SD |
SF |
SU |
UU |
WA |
WB |
WC |
WD |
WE |
WF |
XA |
XB |
XC |
YA |
YB |
YC |
|
70 |
53 |
170 |
18 |
79 |
34.2 |
75 |
32.5 |
5H9 |
5.5 |
M8×1.25 |
12.5 |
67 |
54 |
5H9 |
3.5 |
39 |
5H9 |
3.5 |
|
100 |
59 |
189 |
22 |
90 |
34.3 |
86 |
37.5 |
6H9 |
6.5 |
M10×1.55 |
14.5 |
77 |
59 |
6H9 |
4.5 |
49 |
6H9 |
4.5 |
|
200 |
74 |
240 |
29 |
108 |
40.2 |
106 |
44 |
8H9 |
8.5 |
M12×1.75 |
16.5 |
90 |
69 |
8H9 |
4.5 |
54 |
8H9 |
6.5 |
|
Size
|
Allowable kinectic energy(mj)
|
Rotation time adjiustment range for stable operation (s/90°)
|
||
|
With adjiustment bolt
|
With internal shock absorber
|
With adjiustment bolt
|
With internal shock absorber (Note)
|
|
|
10mm
|
7
|
39
|
0.2 to 1.0
|
0.2 to 0.7
|
|
20mm
|
25
|
116
|
||
|
30mm
|
48
|
116
|
||
|
50mm
|
81
|
294
|
||
|
70mm
|
240
|
1100
|
0.2 to 1.5
|
0.2 to 1.0
|
|
100mm
|
320
|
1600
|
0.2 to 2.0
|
|
|
200mm
|
560
|
2900
|
0.2 to 2.5
|
|



