|
|
Air |
|
|
1.5Mpa(15.3kgf/cm2) |
|
|
1.0Mpa(10.2kgf/cm2) |
|
|
(Rubber bumper) |
|
|
+1.4 (mm) |
|
|
Not required |
|
Bore(mm) |
20 |
32 |
40 |
50 |
|
Motion Pattern |
Double acting,Double acting with spring loaded,Single acting(Spring extend) |
|||
|
Fluid |
Air |
|||
|
Ensured Pressure Resistance |
1.5Mpa(15.3kgf/cm2) |
|||
|
Max.pressure |
1.0Mpa(10.2kgf/cm2) |
|||
|
Ambient and fluid temperature |
-10~+70℃:(Without auto switch:No freezing)+60℃ |
|||
|
Buffering |
(Rubber bumper) |
|||
|
Tolerance of stroke |
+1.4 (mm) |
|||
|
*Lubrication |
Not required |
|||
|
Mounting |
Through-hole,Both ends tapped common |
|||
|
Port size |
RC(PT1/8) |
|||
|
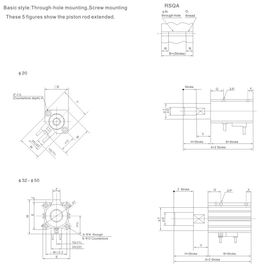
Model |
B |
N |
Q1 |
R |
|
RS□QA20 |
45 |
5.5 |
M6×1 |
10 |
|
RS□QA32 |
48 |
5.5 |
M6×1 |
10 |
|
RS□QA40 |
52.5 |
5.5 |
M6×1 |
10 |
|
RS□QA50 |
54 |
6.6 |
M8×1.25 |
14 |
|
Bore(mm) |
A |
B |
D |
E |
F |
G |
H |
I |
|
MJ |
N |
O |
P |
Q |
T |
U |
V |
W |
Y |
Z |
|
20 |
67 |
45 |
12 |
36 |
8 |
4 |
22 |
- |
- |
36 |
5.5 |
9 7 |
Rc 1/8 |
20 |
24 |
24.5 |
22 |
48 |
47 |
- |
|
32 |
68 |
48 |
20 |
45 |
7.5 |
8 |
20 |
60 |
4.5 |
34 |
5.5 |
9 7 |
Rc 1/8 |
20 |
36 |
31.5 |
20 |
58.5 |
- |
14 |
|
40 |
80.5 |
52.5 |
25 |
52 |
8 |
10 |
28 |
69 |
5 |
40 |
5.5 |
9 7 |
Rc 1/8 |
24.5 |
44 |
35 |
28 |
66 |
- |
14 |
|
50 |
82 |
54 |
25 |
64 |
8 |
10 |
28 |
86 |
7 |
50 |
6.6 |
11 8 |
Rc 1/8 |
24.5 |
56 |
41 |
28 |
80 |
- |
19 |
|
Bore(mm) |
20 |
32 |
40 |
50 |
|
|
Mounting |
Through- hole |
● |
●
|
●
|
●
|
| Both ends tapped style |
● |
●
|
●
|
●
|
|
|
Built-in magnet |
● |
●
|
●
|
●
|
|
|
Piping |
Screw-in type |
RC 1/8 |
|||
| Built-in One-touch fitings |
Φ6/4 |
Φ8/6
|
|||
|
Action |
Double acting Single acting(Single extend) , Double acting with spring loaded |
||||
|
Rod end configuration |
Round bar |
● |
●
|
||
| Chamfered |
● |
●
|
|||
| Roller type |
● |
●
|
|||
| Lever type |
- |
●
|
|||
|
Bore size(mm) |
Rod end configuration |
||
|
Round bar, Chamfered type
|
Roller type
|
Lever type with shock absober
|
|
|
20 |
10.15.20 |
10.15.20 |
- |
|
32 |
|||
|
40 |
20.25.30 |
20.25.30 |
20.25.30 |
|
50 |
|||


