XHZ Series Style Air Gripper
SERIES: XH Series Style Air Gripper
XHZ Series Style Air Gripper
FEATURES
|
|
Air |
|||||
|
|
Double acting,Double acting with spring loaded,Single acting(Spring extend) |
|||||
|
|
0.7MPa |
|||||
|
|
-10-60℃ |
|||||
|
|
Not required |
|||||
|
|
M3×0.8 |
M5×0.8 |
||||
Ordering Code

Specification

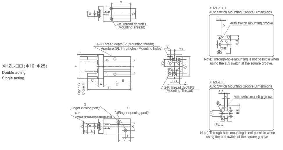
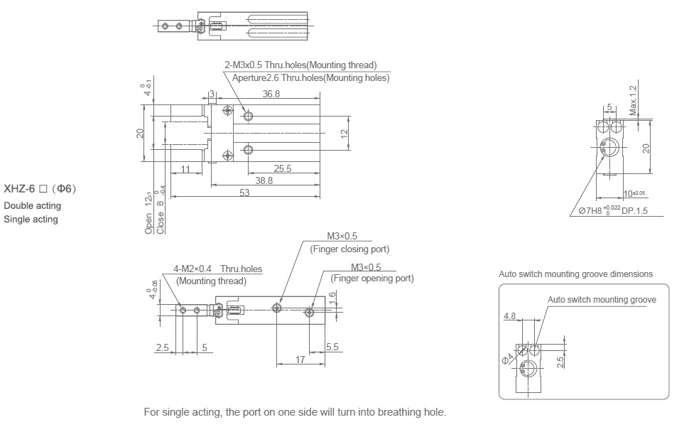
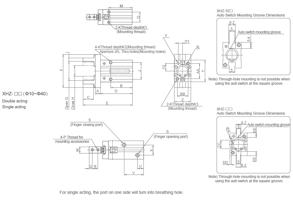
Overall Dimensions
Other info


