|
|
Double Action or Single Action |
|||||
|
|
Air |
|||||
|
|
0.1~0.9MPa |
|||||
|
|
1.35MPa |
|||||
|
|
-5~70℃ |
|||||
|
|
50~800mm/s |
|||||
|
Bore(mm) |
16 |
20 |
25 |
32 |
40 |
|
|
Motion pattern |
Double Action or Single Action |
|||||
|
Working Medium |
Air |
|||||
|
Fixed Type |
Normal Type LB/Type FA/Type SDB/Type U/Type |
|||||
|
Operating Voltage Range |
0.1~0.9MPa |
|||||
|
Ensured Pressure Resistance |
1.35MPa |
|||||
|
Operating Temperature Range |
-5~70℃ |
|||||
|
Operating Speed Range |
50~800mm/s |
|||||
|
Buffer Type |
Standard Type |
Anti-crash cushion |
||||
|
Damping Type |
- |
Adjustable cushion |
||||
|
Pipe Size |
M5×0.8 |
G1/8" |
||||
|
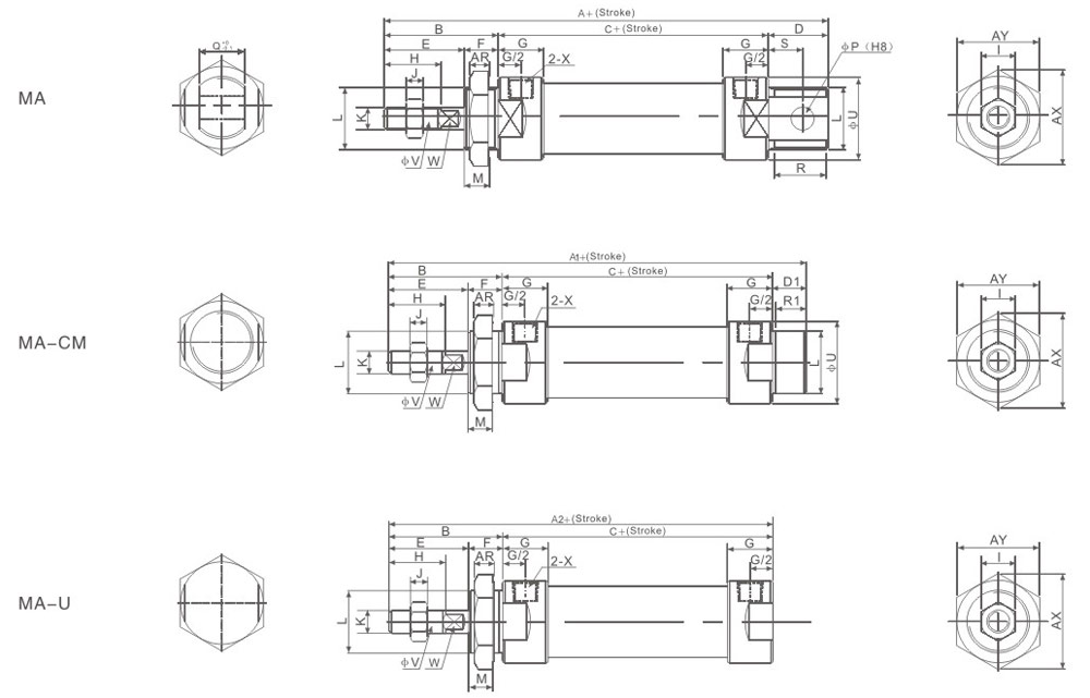
Bore/Symbol |
A |
A1 |
A2 |
B |
C |
D |
D1 |
E |
F |
G |
H |
I |
J |
K |
|
16 |
114 |
114 |
98 |
38 |
60 |
16 |
16 |
22 |
16 |
10 |
16 |
10 |
5 |
M6×1 |
|
20 |
137 |
128 |
116 |
40 |
76 |
21 |
12 |
28 |
12 |
16 |
20 |
12 |
6 |
M8×1.25 |
|
25 |
141 |
134 |
120 |
44 |
76 |
21 |
14 |
30 |
14 |
16 |
22 |
17 |
6 |
M10×1.25 |
|
32 |
147 |
134 |
120 |
44 |
76 |
27 |
14 |
30 |
14 |
16 |
22 |
17 |
6 |
M10×1.25 |
|
40 |
149 |
136 |
122 |
46 |
76 |
27 |
14 |
32 |
14 |
16.7 |
24 |
17 |
7 |
M12×1.25 |
|
Bore/Symbol |
L |
M |
P |
Q |
R |
R1 |
S |
U |
V |
W |
X |
AR |
AX |
AY |
|
16 |
M16×1.5 |
14 |
6 |
12 |
14 |
14 |
9 |
21 |
6 |
5 |
M5 |
6 |
24 |
27.5 |
|
20 |
M22×1.5 |
10 |
8 |
16 |
19 |
10 |
12 |
27 |
8 |
6 |
G1/8" |
7 |
33 |
29 |
|
25 |
M22×1.5 |
12 |
8 |
16 |
19 |
12 |
12 |
30 |
10 |
8 |
G1/8" |
7 |
33 |
29 |
|
32 |
M24×2.0 |
12 |
10 |
16 |
25 |
12 |
15 |
35 |
12 |
10 |
G1/8" |
8 |
37 |
32 |
|
40 |
M30×2.0 |
12 |
12 |
20 |
25 |
12 |
15 |
41.6 |
16 |
14 |
G1/8" |
9 |
47 |
41 |
|
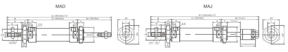
Symbol |
A |
A1 |
A2 |
B |
C |
D |
D1 |
E |
F |
G |
H |
I |
J |
||||
|
Bore/Stroke |
0-50 |
51-100 |
0-50 |
51-100 |
0-50 |
51-100 |
0-50 |
51-100 |
|||||||||
|
16 |
114 |
139 |
128 |
153 |
98 |
123 |
38 |
60 |
85 |
16 |
16 |
22 |
16 |
10 |
16 |
10 |
5 |
|
20 |
137 |
162 |
134 |
159 |
116 |
141 |
40 |
76 |
101 |
21 |
12 |
28 |
12 |
16 |
20 |
12 |
6 |
|
25 |
141 |
166 |
134 |
159 |
120 |
145 |
44 |
76 |
101 |
21 |
14 |
30 |
14 |
16 |
22 |
17 |
6 |
|
32 |
147 |
172 |
136 |
161 |
120 |
145 |
44 |
76 |
101 |
27 |
14 |
30 |
14 |
16 |
22 |
17 |
6 |
|
40 |
149 |
174 |
122 |
144 |
122 |
147 |
46 |
76 |
101 |
27 |
14 |
32 |
14 |
22 |
24 |
17 |
7 |
|
Inside Diameter/Symbol |
K |
L |
M |
P |
Q |
R |
R1 |
S |
U |
V |
W |
X |
AR |
AX |
AY |
||
|
16 |
M6×1 |
M16×1.5 |
14 |
6 |
12 |
14 |
14 |
9 |
21 |
6 |
5 |
M5 |
6 |
25 |
22 |
||
|
20 |
M8×1.25 |
M22×1.5 |
10 |
8 |
16 |
19 |
10 |
12 |
27 |
8 |
6 |
G1/8" |
7 |
33 |
29 |
||
|
25 |
M10×1.25 |
M22×1.5 |
12 |
8 |
16 |
19 |
12 |
12 |
30 |
10 |
8 |
G1/8" |
7 |
33 |
29 |
||
|
32 |
M10×1.25 |
M24×2.0 |
12 |
10 |
16 |
25 |
12 |
15 |
35 |
12 |
10 |
G1/8" |
8 |
37 |
32 |
||
|
40 |
M12×1.25 |
M30×2.0 |
12 |
12 |
20 |
25 |
12 |
15 |
41.6 |
16 |
14 |
G1/8" |
9 |
47 |
41 |
||
|
|
|
|
Bore(mm) |
Standard Stroke |
Max.Stroke |
Permissible Stroke |
|
16 |
25 50 75 80 100 125 160 175 200 |
300 |
500 |
|
20 |
25 50 75 80 100 125 160 175 200 250 300 |
500 |
650 |
|
25 |
25 50 75 80 100 125 160 175 200 250 300 350 400 450 500 |
500 |
650 |
|
32 |
25 50 75 80 100 125 160 175 200 250 300 350 400 450 500 |
500 |
650 |
|
40 |
25 50 75 80 100 125 160 175 200 250 300 350 400 450 500 |
500 |
650 |



