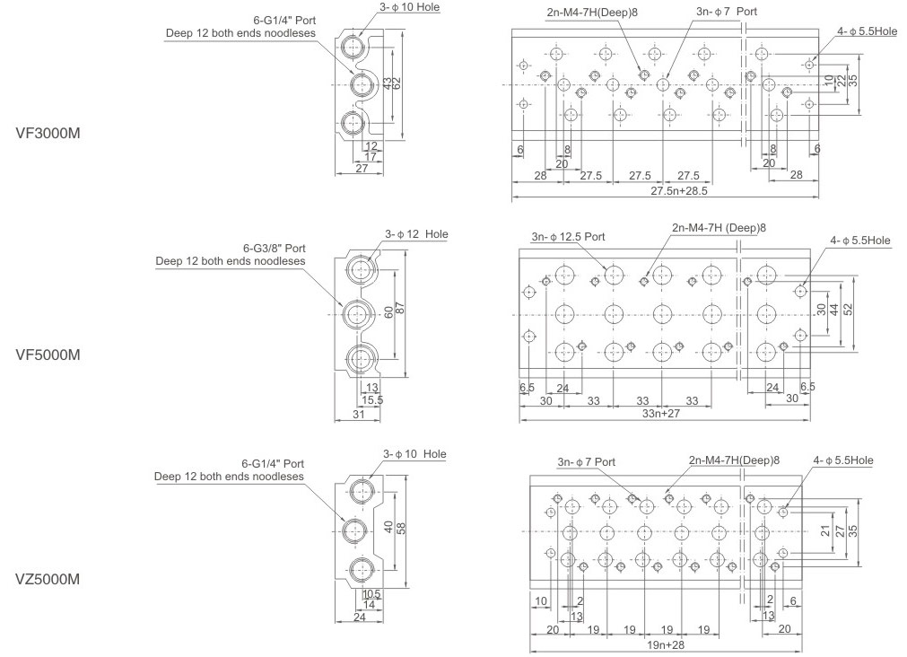
Valve Base
Ordering Code
Overall Dimensions
|
Model
|
A
|
B
|
C
|
E
|
F
|
G
|
H
|
I
|
J
|
K
|
L
|
|||||||||||||||
|
1F
|
2F
|
3F
|
4F
|
5F
|
6F
|
7F
|
8F
|
9F
|
10F
|
11F
|
12F
|
13F
|
14F
|
15F
|
16F
|
|||||||||||
|
100M-□F
|
58
|
43.2
|
20
|
4.5
|
18.3
|
19
|
5
|
10
|
0.8
|
139.4
|
38
|
57
|
76
|
95
|
114
|
133
|
152
|
171
|
190
|
209
|
228
|
247
|
266
|
285
|
304
|
323
|
|
200M-□F
|
61
|
50.7
|
21
|
4.5
|
22.4
|
23
|
6
|
12
|
1.2
|
170
|
46
|
69
|
92
|
115
|
138
|
161
|
184
|
207
|
230
|
253
|
276
|
299
|
322
|
345
|
368
|
391
|
|
300M-□F
|
75
|
64.8
|
26
|
4.5
|
27.3
|
27
|
6
|
13.5
|
2.5
|
188.8
|
54
|
82
|
110
|
138
|
166
|
194
|
22
|
250
|
278
|
306
|
334
|
362
|
-
|
-
|
-
|
-
|
|
400M-□F
|
104
|
94.5
|
32
|
5.5
|
34.3
|
31.5
|
7
|
14.5
|
5
|
221.8
|
63
|
98
|
133
|
168
|
203
|
238
|
273
|
-
|
-
|
-
|
-
|
-
|
-
|
-
|
-
|
-
|
|
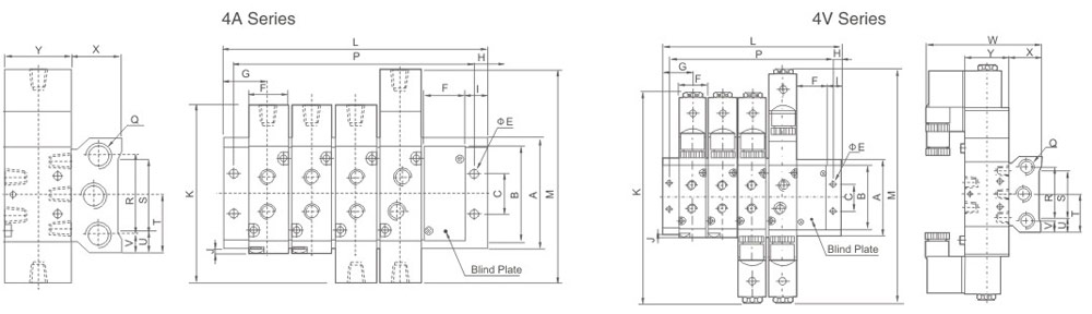
Model
|
M
|
P
|
Q
|
R
|
S
|
T
|
U
|
V
|
W
|
X
|
Y
|
|||||||||||||||
|
1F
|
2F
|
3F
|
4F
|
5F
|
6F
|
7F
|
8F
|
9F
|
10F
|
11F
|
12F
|
13F
|
14F
|
15F
|
16F
|
|||||||||||
| 100M-□F | 154.5 | 28 | 47 | 66 | 85 | 104 | 123 | 142 | 161 | 180 | 199 | 218 | 237 | 256 | 275 | 294 | 313 | G1/4" | 40 | 30 | 29 | 14 | 9 | 79 | 25 | 27 |
| 200M-□F | 189 | 34 | 57 | 80 | 103 | 126 | 149 | 172 | 195 | 218 | 241 | 264 | 287 | 310 | 333 | 256 | 379 | G1/4" | 43 | 32 | 30.5 | 14.5 | 9 | 93 | 26 | 35 |
| 300M-□F | 208 | 42 | 70 | 98 | 126 | 154 | 182 | 210 | 238 | 266 | 294 | 322 | 350 | - | - | - | - | G3/8" | 53 | 48 | 37.5 | 13.5 | 11 | 99.5 | 30 | 40 |
| 400M-□F | 243 | 49 | 84 | 119 | 154 | 189 | 224 | 259 | - | - | - | - | - | - | - | - | - | G1/2" | 68 | 67 | 52 | 18.5 | 18 | 112.5 | 38 | 50 |
|
Model
|
A
|
B
|
C
|
E
|
F
|
G
|
H
|
I
|
J
|
K
|
L
|
|||||||||||||||
|
1F
|
2F
|
3F
|
4F
|
5F
|
6F
|
7F
|
8F
|
9F
|
10F
|
11F
|
12F
|
13F
|
14F
|
15F
|
16F
|
|||||||||||
|
100M-□F
|
58
|
43.2
|
20
|
4.5
|
18.3
|
19
|
5
|
10
|
0.8
|
81
|
38
|
57
|
76
|
95
|
114
|
133
|
152
|
171
|
190
|
209
|
228
|
247
|
266
|
285
|
304
|
323
|
|
200M-□F
|
61
|
50.7
|
21
|
4.5
|
22.4
|
23
|
6
|
12
|
1.2
|
92
|
46
|
69
|
92
|
115
|
138
|
161
|
184
|
207
|
230
|
253
|
276
|
299
|
322
|
345
|
368
|
391
|
|
300M-□F
|
75
|
64.8
|
26
|
4.5
|
27.3
|
27
|
6
|
13.5
|
2.5
|
111
|
54
|
82
|
110
|
138
|
166
|
194
|
22
|
250
|
278
|
306
|
334
|
362
|
-
|
-
|
-
|
-
|
|
400M-□F
|
104
|
94.5
|
32
|
5.5
|
34.3
|
31.5
|
7
|
14.5
|
5
|
142
|
63
|
98
|
133
|
168
|
203
|
238
|
273
|
-
|
-
|
-
|
-
|
-
|
-
|
-
|
-
|
-
|
|
Model
|
M
|
P
|
Q
|
R
|
S
|
T
|
U
|
V
|
X
|
Y
|
|||||||||||||||
|
1F
|
2F
|
3F
|
4F
|
5F
|
6F
|
7F
|
8F
|
9F
|
10F
|
11F
|
12F
|
13F
|
14F
|
15F
|
16F
|
||||||||||
|
100M-□F
|
96
|
28
|
47
|
66
|
85
|
104
|
123
|
142
|
161
|
180
|
199
|
218
|
237
|
256
|
275
|
294
|
313
|
G1/4"
|
40
|
30
|
29
|
14
|
9
|
25
|
27
|
|
200M-□F
|
111
|
34
|
57
|
80
|
103
|
126
|
149
|
172
|
195
|
218
|
241
|
264
|
287
|
310
|
333
|
256
|
379
|
G1/4"
|
43
|
32
|
30.5
|
14.5
|
9
|
26
|
35
|
|
300M-□F
|
130
|
42
|
70
|
98
|
126
|
154
|
182
|
210
|
238
|
266
|
294
|
322
|
350
|
-
|
-
|
-
|
-
|
G3/8"
|
53
|
48
|
37.5
|
13.5
|
11
|
30
|
40
|
|
400M-□F
|
163
|
49
|
84
|
119
|
154
|
189
|
224
|
259
|
-
|
-
|
-
|
-
|
-
|
-
|
-
|
-
|
-
|
G1/2"
|
68
|
67
|
52
|
18.5
|
18
|
38
|
50
|




