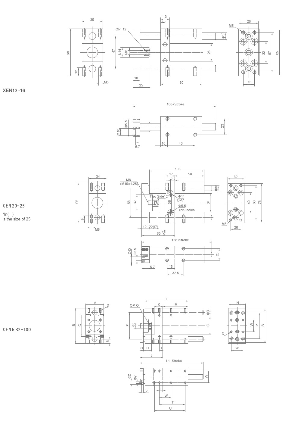
XEN/XNEG Series Guide Units
SERIES: XEN/XNEG Series Guide Units
XEN/XNEG Series Guide Units
FEATURES
|
|
Plain-bearing Guide |
|
|
Recirculating Ball |
|
|
Any |
|
|
-20~+80℃ |
Ordering Code
Specification
|
Model |
XEN -... |
XENG-... |
||||||||
|
Bore Φ |
8/10 |
12/16 |
20 |
25 |
32 |
40 |
50 |
63 |
80 |
100 |
| Stroke(mm) | 1 ... 100 | 1 ... 200 | 1 ... 250 | 1 ... 500 | ||||||
| Guide | Plain-bearing Guide | |||||||||
| Installation | Recirculating Ball | |||||||||
| Installation position | Any | |||||||||
| Operating Range Temperature | -20~+80℃ | |||||||||
Overall Dimensions



