|
|
Double Action |
|
|
Fitered Air |
|
|
1.5MPa |
|
|
1.0MPa |
|
|
0.1MPa |
|
|
Air Buffer(Standard) |

|
Bore(mm) |
32 |
40 |
50 |
63 |
80 |
100 |
125 |
|
Working Medium |
Double Action |
||||||
|
Motion Pattern |
Fitered Air |
||||||
|
Compression Pressure |
1.5MPa |
||||||
|
Max.Operating Pressure |
1.0MPa |
||||||
|
Min.Operating Pressure |
0.1MPa |
||||||
|
Buffer |
Air Buffer(Standard) |
||||||
|
ConditionTemperature |
-5~70℃ |
||||||
|
Operating Speed |
50~800mm/s |
||||||
|
Port Size |
G1/8" |
G1/4" |
G3/8" |
G1/2" |
|||
|
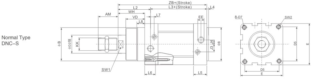
Bore |
AM |
B |
D2 |
D5 |
D7 |
E |
EE(G) |
J3 |
J4 |
KK |
L2 |
L3 |
L4 |
L5 |
L6 |
L7 |
L8 |
SW1 |
SW2 |
VD |
WH |
ZB |
|
32 |
22 |
30 |
12 |
32.5 |
M6 |
45 |
1/8 |
6 |
5.2 |
M10×1.25 |
40 |
80 |
4 |
26 |
16 |
3.3 |
8 |
10 |
6 |
16 |
26 |
120 |
|
40 |
24 |
35 |
16 |
38 |
M6 |
54 |
1/4 |
8 |
6 |
M12×1.25 |
46 |
89 |
4 |
29.6 |
16 |
3.6 |
10 |
13 |
6 |
20 |
30 |
135 |
|
50 |
32 |
40 |
20 |
46.5 |
M8 |
64 |
1/4 |
10 |
8.5 |
M16×1.5 |
54 |
90 |
4 |
30 |
17 |
5.1 |
10 |
17 |
8 |
27 |
37 |
144 |
|
63 |
32 |
45 |
20 |
56.5 |
M8 |
75 |
3/8 |
12.4 |
10 |
M16×1.5 |
57 |
101 |
4 |
35.5 |
17 |
6.6 |
10 |
17 |
8 |
27 |
37 |
158 |
|
80 |
40 |
45 |
25 |
72 |
M10 |
93 |
3/8 |
12.5 |
8 |
M20×1.5 |
65 |
109 |
4 |
36 |
17 |
10.5 |
10 |
22 |
10 |
34.5 |
46 |
174 |
|
100 |
40 |
55 |
25 |
89 |
M10 |
110 |
1/2 |
11.8 |
10 |
M20×1.5 |
71 |
118 |
4 |
39 |
17 |
8 |
12.5 |
22 |
10 |
38 |
51 |
189 |
|
125 |
54 |
60 |
32 |
110 |
M12 |
134 |
1/2 |
13 |
8 |
M27×2 |
95 |
128 |
6 |
44.7 |
22 |
14 |
10 |
28 |
12 |
46 |
65 |
223 |
|
Bore |
32 |
40 |
50 |
63 |
80 |
100 |
125 |
|
B |
30 |
35 |
40 |
45 |
45 |
55 |
60 |
|
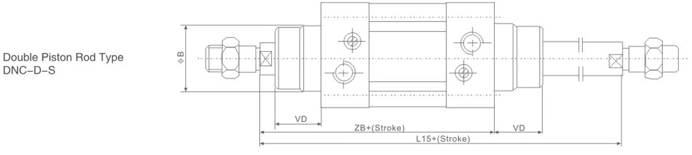
L15 |
146 |
165 |
182 |
194 |
220 |
240 |
298 |
|
VD |
16 |
20 |
27 |
27 |
34.7 |
38.2 |
46 |
|
ZB |
120 |
135 |
144 |
158 |
174 |
189 |
223 |
|
|
|
|
|
Bore |
Standard Stroke |
Buffer Stroke |
Stroke Range |
|
32 |
25 40 50 80 |
20 |
10~2000 |
|
40 |
|||
|
50 |
22 |
||
|
63 |
|||
|
80 |
32 |
||
|
100 |
|||
|
125 |
35 |
DNCB Series Booster Cylinder
|
Working Medium |
Fitered Air |
|
Compression Pressure |
1.5MPa |
|
Max.Operating Pressure |
1.0MPa |
|
Min.Operating Pressure |
0.1MPa |
|
ConditionTemperature |
-5~70℃ |





