|
|
Air |
|
|
Double action |
|
|
1.05Mpa(10.7kgf/cm2) |
|
|
0.7Mpa(7.1kgf/cm2) |
|
|
5~+60℃ |
|
|
Both ends buffer |
|
Bore(mm) |
6 |
10 |
15 |
20 |
25 |
32 |
|
|
Working Medium |
Air |
||||||
|
Motion Pattern |
Double action |
||||||
|
Ensured Pressure Resistance |
1.05Mpa(10.7kgf/cm2) |
||||||
|
Max.pressure |
0.7Mpa(7.1kgf/cm2) |
||||||
|
Min.pressure |
0.15Mpa(1.5kgf/cm2) |
0.1Mpa(1.0kgf/cm2) |
0.05Mpa(0.51kgf/cm2) |
||||
|
Operating Temperature Range |
5~+60℃ |
||||||
|
Buffering |
Both ends buffer |
||||||
|
Structare |
Double Power |
||||||
|
Stroke Adjustable Range |
(Return Stroke)0~5mm |
||||||
|
Bearing |
Slide Bearing/Ball Guide Bearing |
||||||
|
Precision of |
Slide Bearing |
±0.1 |
±0.15 |
±0.13 |
±0.11 |
±0.1 |
±0.08 |
|
Ball Guide Bearing |
±0.1 |
±0.1 |
±0.07 |
±0.06 |
±0.05 |
±0.04 |
|
|
Port size |
M5×0.8 |
G1/8" |
|||||
|
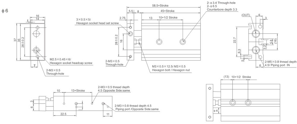
Model |
Stroke |
10+1/2Stroke |
13+Stroke |
45+Stroke |
58.5+Stroke |
|
CXS□6-10 |
10 |
15 |
23 |
55 |
68.5 |
|
CXS□6-20 |
20 |
20 |
33 |
65 |
78.5 |
|
CXS□6-30 |
30 |
25 |
43 |
75 |
88.5 |
|
CXS□6-40 |
40 |
30 |
53 |
85 |
95.5 |
|
CXS□6-50 |
50 |
35 |
63 |
95 |
108.5 |
|
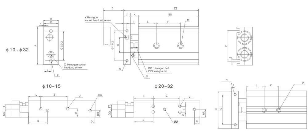
Model |
A |
B |
C |
D |
E |
F |
G |
H |
I |
J |
K |
L |
M |
N |
NN |
O |
OO |
P |
|
CXS□10-10 |
46 |
17 |
44 |
15 |
7.5 |
2-M4×0.7 |
35 |
20 |
4 |
8 |
9 |
20 |
2-Φ3.4through |
2-M3×0.5 |
Φ6 |
5 |
M4×0.7×14.5L |
33.6 |
|
CXS□15-10 |
58 |
20 |
56 |
18 |
9 |
2-M5×0.8 |
45 |
25 |
5 |
10 |
9 |
30 |
2-Φ4.3through |
2-M4×0.7 |
Φ8 |
6 |
M4×0.7×14.5L |
48 |
|
CXS□20-10/20/ |
64 |
25 |
62 |
23 |
11.5 |
2-M5×0.8 |
50 |
28 |
6 |
12 |
12 |
30 |
2-Φ5.5through |
2-M4×0.7 |
Φ10 |
8 |
M6×1.0×18.5L |
53 |
|
CXS□25-10/20/ |
80 |
30 |
78 |
28 |
14 |
2-M6×1.0 |
60 |
35 |
6 |
12 |
12 |
30 |
2-Φ6.9through |
2-M5×0.8 |
Φ12 |
10 |
M6×1.0×18.5L |
64 |
|
CXS□32-10/20/ |
98 |
38 |
96 |
36 |
18 |
2-M6×1.0 |
75 |
44 |
8 |
16 |
14 |
30 |
2-Φ6.9through |
2-M5×0.8 |
Φ16 |
13 |
M8×12.5×23L |
76 |
|
Model |
PP |
Q |
|
R |
RR |
T |
TT |
U |
UU |
V |
W |
X |
Y |
|
CXS□10-10 |
M4×0.7 |
8.5 |
7 |
30 |
7 |
- |
5 |
8 |
4-M5×0.8 |
4-M3×0.5 |
2-M4×0.7 |
M3×0.5×10L |
M3×0.5×5L |
|
CXS□15-10 |
M4×0.7 |
10 |
10 |
38.5 |
10 |
- |
5 |
8 |
4-M5×0.8 |
4-M4×0.7 |
2-M5×0.8 |
M5×0.8×10L |
M4×0.7×4L |
|
CXS□20-10/20/ |
M6×1.0 |
7.75 |
12.5 |
45 |
7.75 |
9.5 |
6.5 |
8 |
4-M5×0.8 |
8-M4×0.7 |
2-M6×1.0 |
M6×1.0×12L |
M5×0.8×5L |
|
CXS□25-10/20/ |
M6×1.0 |
8.5 |
15 |
46 |
15 |
13 |
9 |
9 |
4-1/8 |
8-M5×0.8 |
2-M8×1.25 |
M6×1.0×14L |
M6×1.0×5L |
|
CXS□32-10/20/ |
M8×1.25 |
9 |
19 |
56 |
19 |
20 |
11.5 |
10 |
4-1/8 |
8-M5×0.8 |
2-M8×1.25 |
M8×1.25×16L |
M8×1.25×8L |
|
Model |
S |
SS |
Z |
ZZ |
Model |
S |
SS |
Z |
ZZ |
Model |
S |
SS |
Z |
ZZ |
Model |
S |
SS |
Z |
ZZ |
Model |
S |
SS |
Z |
ZZ |
|
CXS□10-10 |
10 |
65 |
30 |
82 |
CXS□15-10 |
10 |
70 |
25 |
89 |
CXS□20-10 |
10 |
80 |
30 |
104 |
CXS□25-10 |
10 |
82 |
30 |
106 |
CXS□32-10 |
10 |
92 |
40 |
122 |
|
CXS□10-20 |
20 |
75 |
92 |
CXS□15-20 |
20 |
80 |
99 |
CXS□20-20 |
20 |
90 |
114 |
CXS□25-20 |
20 |
95 |
116 |
CXS□32-20 |
20 |
102 |
132 |
|||||
|
CXS□10-30 |
30 |
85 |
40 |
102 |
CXS□15-30 |
30 |
90 |
35 |
109 |
CXS□20-30 |
30 |
100 |
40 |
124 |
CXS□25-30 |
30 |
102 |
40 |
126 |
CXS□32-30 |
30 |
112 |
50 |
142 |
|
CXS□10-40 |
40 |
95 |
112 |
CXS□15-40 |
40 |
100 |
119 |
CXS□20-40 |
40 |
110 |
134 |
CXS□25-40 |
40 |
112 |
136 |
CXS□32-40 |
40 |
122 |
152 |
|||||
|
CXS□10-50 |
50 |
105 |
122 |
CXS□15-50 |
50 |
110 |
129 |
CXS□20-50 |
50 |
120 |
144 |
CXS□25-50 |
50 |
122 |
146 |
CXS□32-50 |
50 |
132 |
162 |
|||||
|
|
|
|
|
|
|
|
|
|
|
CXS□20-75 |
75 |
145 |
60 |
169 |
CXS□25-75 |
75 |
147 |
60 |
171 |
CXS□32-75 |
75 |
157 |
70 |
187 |
|
|
|
|
|
|
|
|
|
CXS□20-100 |
100 |
170 |
194 |
CXS□25-100 |
100 |
172 |
196 |
CXS□32-100? ?1 |
00 |
182 |
212 |


