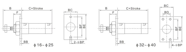
M-FA Type Flange
Overall Dimensions
| B | C | C(MSA Series ) | C(MSAL Series ) | BB | BC | BD | BE | BF | BP | P | ||||
| Bore | (MA Series ) | (MAL Series ) | 0-50 | 51-100 | 0-50 | 51-100 | ||||||||
| 16 | 38 | 60 | - | 60 | 85 | - | - | 3 | 26 | - | 52 | 40 | 5.5 | 16 |
| 20 | 40 | 76 | 70 | 76 | 101 | 70 | 95 | 4 | 38 | - | 64 | 50 | 6.5 | 12 |
| 25 | 44 | 76 | 70 | 76 | 101 | 70 | 95 | 4 | 38 | - | 64 | 50 | 6.5 | 14 |
| 32 | 44 | 76 | 70 | 76 | 101 | 70 | 95 | 4 | 47 | 33 | 72 | 58 | 6.5 | 14 |
| 40 | 46 | 76 | 92 | 76 | 101 | 92 | 117 | 4 | 50 | 36 | 84 | 70 | 6.5 | 14 |



