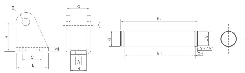
M-U+Pin
Overall Dimensions
| Bore/Symbol | B | E | C | H | L | N | O | R | S | G | BT | CG | CH | BU | S |
| 8/10 | 4.5 | 4 | 12.5 | 24 | 20 | 8.1 | 13 | 5 | 2.5 | 4 | 14 | 3.7 | 0.5 | 17 | 0.2 |
| 12/16 | 5.5 | 6 | 15 | 27 | 25 | 13 | 18 | 7 | 3 | 6 | 19 | 5.6 | 0.8 | 24 | 0.4 |
| 20/25 | 6.6 | 8 | 20 | 29.5 | 32 | 16.1 | 24 | 10 | 4 | 8 | 25.2 | 7.5 | 0.9 | 29.5 | 0.5 |


