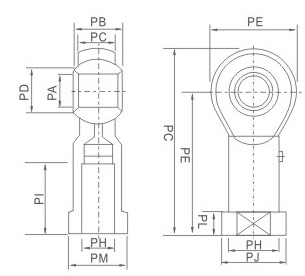
M-PHS Type Fish Eye Joint
Overall Dimensions
| Symbol/Bore | PA | PB | PC | PD | PE | PF | PG | PH | PI | PJ | PK | PL | PM |
| 20 | 8 | 12 | 9 | 10.4 | 22 | 36 | 47 | M8*1.25 | 17 | 16 | 12.5 | 5 | 14 |
| 25 | 10 | 14 | 11 | 12.9 | 26 | 43 | 56 | M10*1.25 | 21 | 19 | 15 | 6.5 | 17 |
| 32 | 10 | 14 | 11 | 12.9 | 26 | 43 | 56 | M10*1.25 | 21 | 19 | 15 | 6.5 | 17 |
| 40 | 12 | 16 | 12 | 15.4 | 30 | 50 | 65 | M12*1.25 | 24 | 22 | 17.5 | 6.5 | 19 |


