4R/3R Series Hand-Draw Valve
SERIES: 4R/3R Series Hand-Draw Valve
4R/3R Series Hand-Draw Valve
FEATURES
|
|
Compresses Air
|
|
|
0~1.0MPa
|
|
|
-5~60℃
|
|
|
Direct Action Type
|
|
|
Not Required
|
Ordering Code
Specification
|
Model
|
4R110-06
|
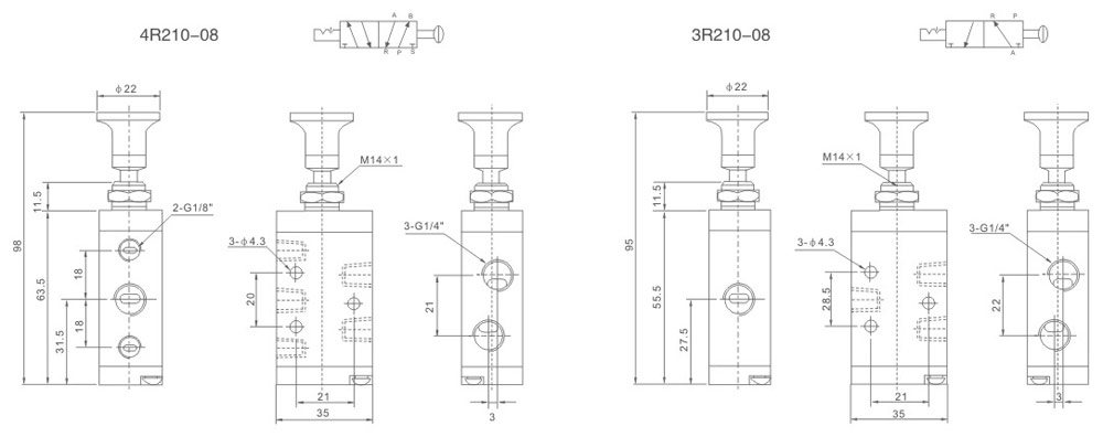
4R210-08
|
4R310-10
|
4R410-15
|
3R110-06
|
3R210-08
|
3R310-10
|
3R410-15
|
|
Working Medium
|
Compresses Air
|
|||||||
|
Position and Way No.
|
Two-position Five-way
|
Two-position Three-way
|
||||||
|
Joint Pipe Bore
|
G1/8"
|
G1/4"
|
G3/8"
|
G1/2"
|
G1/8"
|
G1/4"
|
G3/8"
|
G1/2"
|
|
Working-pressure Range
|
0~1.0MPa
|
|||||||
|
Operating Temperature Range
|
-5~60℃
|
|||||||
|
Operating Method
|
Direct Action Type
|
|||||||
|
Lubrication
|
Not Required
|
|||||||
Overall Dimensions




