TC Type
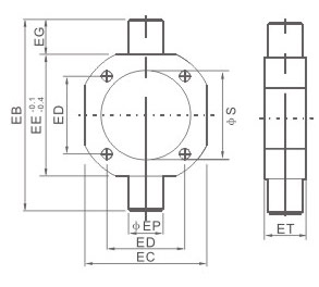
Overall Dimensions
| Symbol/Bore | 32 | 40 | 50 | 63 | 80 | 100 | 125 | 160 | 200 |
| EB | 88.5 | 113 | 126 | 138 | 164 | 182 | 210 | 264 | 320 |
| EC | 52 | 63 | 76 | 88 | 114 | 132 | 160 | 200 | 248 |
| ED | 33 | 37 | 47 | 56 | 70 | 84 | 110 | 140 | 175 |
| EE | 55 | 63 | 76 | 88 | 114 | 132 | 160 | 200 | 248 |
| EG | 16.75 | 25 | 25 | 25 | 25 | 25 | 25 | 32 | 36 |
| EP | 16 | 25 | 25 | 25 | 25 | 25 | 25 | 32 | 32 |
| ET | 30 | 30 | 30 | 30 | 30 | 35 | 35 | 41 | 49 |
| S | 37.5 | 45.5 | 55.5 | 68.5 | 87.5 | 107.5 | 134.5 | 172.5 | 219.5 |


