ISO-PHS Type Fish Eye Joint
SERIES: ISO Standard Cylinder Accessories
ISO-PHS Type Fish Eye Joint
FEATURES
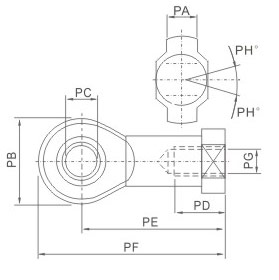
Overall Dimensions
| Symbol/Bore | PA | PB | PC | PD | PE | PF | PG | PH |
| 32 | 11 | 26 | 10 | 21 | 43 | 56 | M10*1.25 | 13 |
| 40 | 12 | 30 | 12 | 24 | 50 | 65 | M12*1.25 | 13 |
| 50 | 15 | 38 | 16 | 33 | 64 | 83 | M16*1.5 | 15 |
| 63 | 15 | 38 | 16 | 33 | 64 | 83 | M16*1.5 | 15 |
| 80 | 18 | 46 | 20 | 40 | 77 | 100 | M20*1.5 | 15 |
| 100 | 18 | 46 | 20 | 40 | 77 | 100 | M20*1.5 | 15 |
| 125 | 37 | 70 | 30 | 51 | 110 | 145 | M27*2.0 | 15 |
| 160 | 43 | 80 | 35 | 56 | 125 | 165 | M36*2.0 | 16 |
| 200 | 43 | 80 | 35 | 56 | 125 | 165 | M36*2.0 | 16 |


