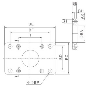
ISO-FA/FB Type Flange
Overall Dimensions
| Symbol/Bore | 32 | 40 | 50 | 63 | 80 | 100 | 125 | 160 | 200 |
| AJ | 11 | 11 | 14 | 14 | 17 | 17 | 19 | 25 | 25 |
| AK | 7 | 7 | 9 | 9 | 11 | 11 | 13 | 17 | 17 |
| BA | 30.5 | 35.5 | 40.5 | 45.5 | 45.5 | 55.5 | 60.5 | 65.5 | 75.5 |
| BB | 10 | 10 | 12 | 12 | 16 | 16 | 20 | 20 | 25 |
| BC | 47 | 53 | 65 | 75 | 95 | 115 | 140 | 180 | 220 |
| BD | 32 | 36 | 45 | 50 | 63 | 75 | 90 | 115 | 135 |
| BE | 80 | 90 | 110 | 125 | 154 | 186 | 224 | 280 | 320 |
| BF | 64 | 72 | 90 | 100 | 126 | 150 | 180 | 230 | 270 |
| BH | 4 | 4 | 4 | 6 | 6 | 6 | 8 | 8 | 12 |
| BP | 7 | 9 | 9 | 9 | 12.5 | 14.5 | 16.5 | 18.5 | 24 |
| T | 32.5 | 38 | 46.5 | 56.5 | 72 | 89 | 110 | 140 | 175 |


