XOF(Air filter)
SERIES: XO Series F.R.L
XOF(Air filter)
FEATURES
The OF with water separator cleans the compressed air of fluid oil,condensation and dirt particles,for special application,the standard 40 m filter element may easily be replaced by a 5 m filte relement.
Ordering Code
Specification
| Filters |
MINI |
MIDI |
MAXI |
||||||
| 40µm | Manual Drain |
XOF-1/8-MINI |
XOF-1/4-MINI | XOF-3/8-MINI | XOF-3/8-MIDI | XOF-1/2-MIDI | XOF-3/4-MIDI | XOF-3/4-MAXI | XOF-1-MAXI |
| 5µm | XOF-1/8-5M-MINI | XOF-1/4-5M-MINI | XOF-3/8-5M-MINI | XOF-3/8-5M-MIDI | XOF-1/2-5M-MIDI | XOF-3/4-5M-MIDI | XOF-3/4-5M-MAXI | XOF-1-5M-MAXI | |
| Medium | Compressed air | ||||||||
| Features of structure | Sintered filter with water spartor | ||||||||
| Mounting type | Pipe mounting or foot mounting | ||||||||
| Assembly position | Vertical±5° | ||||||||
| Connection | G1/8" | G1/4" | G3/8" | G3/8" | G1/2" | G3/4" | G3/4" | G1" | |
| Standard nominal flow rate | XF-... | 1000 | 1200 | 1400 | 2700 | 3000 | 3000 | 5000 | 5300 |
| XF-...-5M | 600 | 950 | 1100 | 1800 | 1900 | 1900 | 3200 | 3300 | |
| Primary pressure | Manual drain | 1-16bar | |||||||
| Grade of filtration | 40µm/5µm | ||||||||
| Max.condensate capacity | 22ml | ||||||||
| Timperature range | 0~60℃ | ||||||||
| Materials information | Housing:Zinc die-casting;Filter bowl :PC;Metal bowl guard:Aluminium alloy;Sealing:NBR | ||||||||
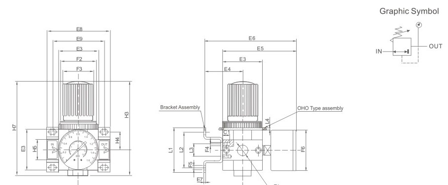
Overall Dimensions
| Model |
E3 |
E4 | E7 | E8 | E9 | F1 | F4 |
F5 |
L1 |
L2 |
L3 | H4 | H5 | H6 | H8 | H9 |
| XOF-...-MINI |
40 |
39 | 2 | 64 | 52 | G1/8",G1/4",G3/8" | M4 | 4.5 |
44 |
35 | 11 | 17.5 | 20 | 15 | 144 | 129 |
| XOF-...-MIDI | 55 | 47 | 3 | 85 | 70 | G1/8",G1/2",G3/4" | M5 | 5.5 | 71 | 60 | 22 | 24.5 | 32 | 15 | 179 | 156 |
| XOF-...-MAXI | 66 | 53 | 3 | 96,116 | 80,91 | G3/4",G1" | M5 | 5.5 | 71 | 60 | 22 | 24.5 | 32.40 | 15 | 203 | 175 |
Other info


