Home - Products - XHS Series Slide Guide Air Gripper(Round Body) - XHS4 Series Slide Guide Air Gripper(Round Body)
XHS4 Series Slide Guide Air Gripper(Round Body)
SERIES: XHS Series Slide Guide Air Gripper(Round Body)
XHS4 Series Slide Guide Air Gripper(Round Body)
FEATURES
|
|
Air |
|
|
-10~60℃ |
|
|
±0.01mm |
|
|
Not required |
Ordering Code
Specification
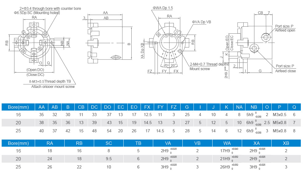
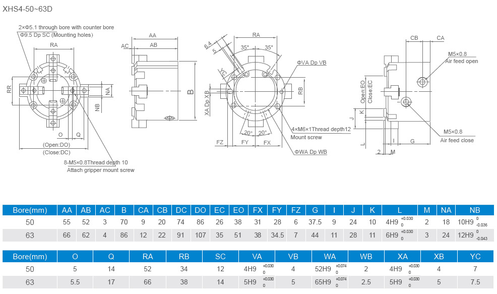
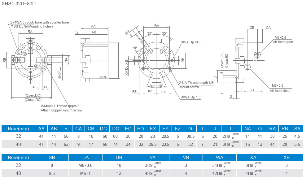
Overall Dimensions


