CY3L Series Rodless Cylinder
SERIES: CY3 Series Rodless Cylinder
CY3L Series Rodless Cylinder
FEATURES
|
|
Air(to be filtered by 40μm filter element) |
|
|
Double-acting |
|
|
0.7MPa |
|
|
0.18MPa |
Ordering Code
Specification
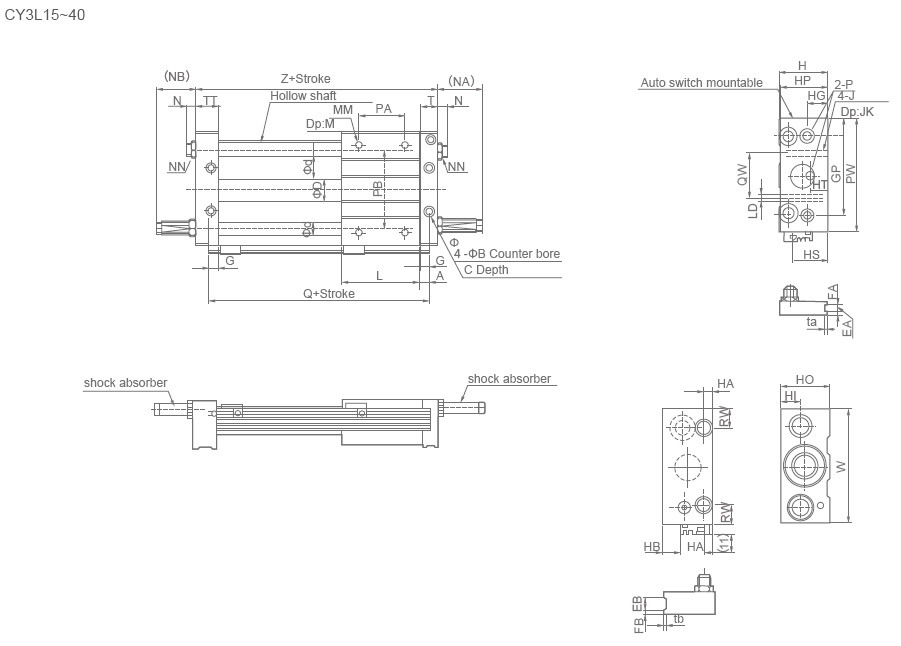
Overall Dimensions
Other info


