Home
About Us
XCPC Profile
Structure & Management
XCPC R & D
XCPC Production
XCPC Sales & Services
XCPC News
Products
New Products
Catalogue Download
Contact Us
Select XCPC other web
china-pneumatic.com
xcpcpneumatic.com
中文版
Pneumatic cylinder
DNC Series standard ...
DNC-50X100
DNCB Series booster ...
MDNC-50X100
TDNC-50X100
DNG Series Standard ...
SI Series standard c...
SID Series Two Axis ...
SIJ Two Axis Stroke ...
SI-50X100
SC/SU Series standar...
SC-50X100
SU-50X100
SCJ-50X100-25
MB Series standard c...
CA1 Series standard ...
MA6432 Series mini c...
MA6432-10X50
MA6432-25X50
MA6432-N25X150
MAC6432-N40X150
MA Series mini cylin...
MA-25X50
MAJ-25X50-25
MAD
MAL Series mini cyli...
MAL-25X50
MALJ-25X50-25
CM2 Series mini cyli...
CDM2B-32X50
CDM2B-20X50
CJ2 Series mini cyli...
CJ2B-6X25
CJ2B-16X50
SDA Series thin type...
SDA-32X25
SDAJ-32X25-10
SDAD-32X25
ADVU Series compact ...
ADVU Series compact ...
CQ2 Series compact c...
CQ2B-32X30-M
CJP Series needle cy...
CU Series free insta...
CDU-25X30
CDUK-16X30
TN Series double-sha...
CXS Series double-sh...
STM Series slide cyl...
MGP Series three-sha...
RSQ Series stopper c...
XCK Series Clamping ...
MSQ Series rotary cy...
XHZ2/XHC2 Series pne...
XHL2 Series pneumati...
XHT2 Series pneumati...
CY1 Series rodless c...
Special cylinder
MARU 20×50
TMAL-AC-40×25
TMAL 50×30-T
MALC 50×100
MAB 20×100×50
Pneumatic cylinder acce...
Cylinder assembly ki...
SC Kits
DNG kits
SI Kits(ISO6431)
DNC Kits(ISO6430&VDM...
MB Kits(Japan Standa...
MA Kits
Ma6432 Kits(ISO6432)
MAL Kits
SDA Kits
ADVU Kits(ISO6431)
ISO6431 cylinder acc...
ISO_LB Type Foot Bla...
ISO_CA Type Single E...
ISO_CB Type Double E...
ISO_SDB Type
ISO_FA_FB Type Flang...
ISO_TC
ISO_Y Joint
ISO_UJ Type Float Jo...
ISO_I Joint
ISO_PHS Type Fishege...
Standard cylinder ac...
LB Foot Rest
FA-FB Type Flange
CA Type Single Earri...
CB Type Double Earri...
Y Type Joint
I Type Joint
TC Type
TC-M Type
Mini cylinder access...
M-UJ Type
M-PHS Type
M-FA Type
M-FA-A Type
M-LB Type
M-SDB
M-Y Type
M-I Type
M-U Type
Cylinder tube & rod
SC,MAL Round Aluminu...
DNC Square Aluminum ...
MA,MA6432 Stainless ...
SI Mickey Mouse Alum...
SDA Aluminum Tube
Piston rod (45# Stee...
ADVU Aluminum Tube
Magnestis switch
XC-03R Series
XC-11R Series
XC-21R Series
XC-31R
Fixed metal band
Fixed Clamp
Shock Absorbers
HAD2050-2
HAD1275
Special cylinder acc...
Special Cylinder Acc...
Special Cylinder Acc...
Special Cylinder Acc...
Special Cylinder Acc...
HAD2016
Air Source treatment un...
XA series FRL
XAC5000-10
XAC4000-04
XAC1000-M5
XAC5010-10
XAC4010-04
XAC1010-M5
XAF5000-10
XAF4000-04
XAF1000-M5
XAR5000-10
XAR4000-04
XAR1000-M5
XAW5000-10
XAW4000-04
XAW1000-M5
XAL5000-10
XAL4000-04
XAL1000-M5
XG series FRL
XGC2
XGWL2
XGFR2
XGF2
XGL2
XGR2
XMA series Metal cup...
XMAC4000-04
XMAC2000-02
XMAC4010-04
XMAC2010-02
XMAF4000-04
XMAF2000-02
XMAL4000-04
XMAL2000-02
XMAW4000-04
XMAW2000-02
XO series FRL
XOL Series Lubricato...
XOU Series Air Sourc...
XOFR Series Filter &...
XOR Series Regulator
XOF Series Air Filte...
XU series FRL
XUC-04
XUWL-04
XUW-04
AC/BC series FRL
BC3000
AC2000
BFC3000
AFC2000
BFR3000
AFR2000
BF3000
AF2000
BR3000
AR2000
BL3000
AL2000
XN series mini FRL
XAC300 series FRL
XACT300 Series Air S...
XACP300 Series Air S...
XS series FRL
S Series Air Source ...
XC series FRL
C Series Air Source ...
39 series FRL
SAH/HAD/XADV Sereis ...
XADV 300-FN
XADV 300-FW
XADV 400-FN
XADV 400-FW
XADV 200-G10
XADV-MA-G14
XADV 400-G12
XADV 300-G12
QSLH-15
QTYH-25
HAD402 series Auto D...
SAH402 series High P...
FRL accessories
T-Type Space
L-Tpye bracket(L-Tpy...
T-Type Spacer(T-Type...
Blacket for AR-AW
Blacket for AL-AF
Pressure Gague
Mouting bracket OHC
Mouting bracket OHO
Nut HMR
Pressure gague OMA
Other FRL
PIR Series Precision...
Solenoid valves
Solenoid/Pneumatic c...
4V210-08
4A210-08
4V120-06
4A220-08
4V220-08
3V110-06
3A110-06
3V310-10
3A210-08
3V210-06
VF3230
VF5120
3V1-06
4V210-08-N
Plate Type valves
4M310-10
4M210-08
4M220-08
Two-Position Two-Way...
2V Series
2P Series
2W Series
2S Sereis
2W/2S Series Normal ...
2L Series
VX Series
PU 220 Series
PU 225 Series(Guide ...
PU 225 Series (Steam...
2Q Series Air Contor...
XC22/23 Series
XC5404 Series High P...
XC6213 Series Diaphr...
2w(lager-aperture)Se...
SLP Series Normal Cl...
SLP Series Normal Op...
THP Series Normal Cl...
THP Series Normal Op...
Pulse valve
XMFZ Series Right An...
XMFY Series In Line ...
XMF Series Insert Pi...
Bevel valve
XQ22HD Series Right ...
XCP Series Plastic A...
XC Series Stainless ...
Special solenoid val...
XR2 Valve Group
XCZ-110-10-A Small V...
DL-6A DL-6B DL-6K DL...
Q22XD-2L Q23XD-2L
XC114 Medical Soleno...
F17 Petrol Solenoid ...
Solenoid valve acces...
XC601 3/2 XC602 2/2 ...
XC603 3/2 XC604 2/2 ...
XC605 3/2 XC606 2/2 ...
DIN 43650A(Connector...
DIN 43650B (Connecto...
DIN43650C (Connector...
Coil-1
Coil-2
Coil-3
Coil-4
Coil-5
Coil-6
XC280-Product-Type09...
XC281Product-Type-13...
Analog and digital e...
Base For 4V.4A Serie...
Base For VF.VZ Serie...
Base For 4M Series V...
HLP Series Pressure ...
HLP Series Pressure ...
Pneumatic valve
Mechanical Control V...
4VXC-08
Mechanical Control V...
533N-HD Series Manua...
322N-RS Series Mecha...
522N-HV Series Hand-...
322N-MVA Series Mech...
322N-MVB Series Mech...
322N-MVC Series Mech...
322N-MVD Series Mech...
QTYH Series High Pre...
Control Valve
522N-HDV Series Mech...
4HV Series Hand-swit...
Mechanical valve
MSV98522-EB
MSV98522-PB
MSV98522-TB
MSV98522-LB
MSV98522-PP
MSV98522-PPL
MSV98522-R
JMJ-01
JMJ-02
JMJ-03
JMJ-04
JMJ-05
JMJ-06
JMJ-07
JM-05
JM-06
JM-06A
JM-07
MOV-01
MOV-02
MOV-03
MOV-04
3R210-08
Hand-draw valve
4R110-06
4R210-08
Hand-switching valve
HV-03
K34R-08
K34-R-L8D
K34-R-L6D
Hand-pull valve
TSV86522-M
TSV98322-M
4H330-10
4H210-06
Hand-sliding valve
HSV Hand Sliding Val...
Foot Valve
4F210-08L
4F210-08
FV420
4F210-08LG
Quick exhaust valve
XQ Series Quick Exha...
QE Series Quick Exha...
XKP Series Quick Exh...
Flow control valve
RE Series Flow Contr...
Check valve
ASC Series Check Val...
AS Series Check Valv...
KA Series Check Valv...
KAM Series Check Val...
KLA Series Check Val...
Shuttle Valve
ST Series Quick Exha...
High Pressure Contro...
Pressure Controler
Pneumatic accessories
Pneumatic tube fitti...
XPC
XPOC
XPL
XPLL
XPLF
XPCF
XPB
XPD
XPX
XPKB
XPKD
XPH
XPHF
XPMF
XPGJ
XPLJ
XPLGJ
XPYJ
XPWJ
XPIJ
XPKJ
XPDJ
XPXJ
XPSJ
XPTJ
XPP
XPIG
XPM
XPZA
XPKG
XPK
XPXG
XPXT
XPLM
XPHT(2)
XPHT(3)
XPPF
XPU
XPV
XPE
XPY
XPG
XPGE
XPEG
XPW
XPC-G
XPL-G
XPB-G
XPD-G
XPLH-G
XPLL-G
XPX-G
XPKD-G
XPH-G
XPHF-G
XPCF-G
XPLF-G
XPOC-G
XPXT-G
XPHT-G(2)
XPHT-G(3)
Speed controls
XJSC
XJSC-G
XPA
XSS
XSS-G
Mini fittings
XPC-C
XPB-C
XPCF-C
XPD-C
XPOC-C
XPLL-C
XPL-C
XPE-C
XPU-C
XPY-C
XPUL-C
XPC-G-C
XPG-C
XPL-G-C
XPW-C
Hand valve/Ball valv...
XHVFF
XHVM-G
XHVSS
XHVSF
XHVFS
XHVFS-G
XHVSF-G
XHVSS-G
XBVU
XBVC
XBVC-G
Stop fittings
XSPC
XSPL
XSPU
XSPC-G
XSPL-G
Check valves
XCVPC
XCVPU
XCVPF
XCVPF-G
XCVPC-G
Metal push-in fittin...
XMPC
XMPOC
XMPCF
XMPL
XMPLN
XMPLF
XMPT
XMPD
XMPX
XMPMF
XMPCJ
XMPCFJ
XMPH
XMDPH
XMTPH
XMPHF
XMPK
XMDPK
XMTPK
XMPUC
XMPUL
XMPUT
XMPY
XMPM
XMPZA
XMPPF
XMPP
XMPG
XMPTG
XMPGJ
XMPLJ
XMPLGJ
XMPTJ
XMPTGJ
XMPDJ
XMPDGJ
XMPXJ
XMPXGJ
XMBJ
XMJ
XMPC-G
XMPOC-G
XMPL-G
XMPLL-G
XMPT-G
XMPD-G
XMPX-G
XMPCJ-G
XMPH-G
XMDPH-G
XMTPH-G
XMPK-G
XMDPK-G
XMTPK-G
Stainless stell 316 ...
XMPCS
XMPLS
XMPCFS
XMPTS
XMPUCS
XMPULS
XMPUTS
XMPMS
Rapid fittings
XRPC
XRSPC
XRPCF
XRPLN
XRPLF
XRPT
XRPTN
XRPD
XRPDN
XRPH
XRDPH
XRTPH
XRPUC
XRPUL
XRPZA
XRPM
XRM
XRMS
Compact rapid fittin...
XRCPC
XRCPH
Pipe joint fittings
XQPC
XQPL
XQPCF
XQPD
XQPUC
XQPUL
XQPUT
XQPZA
XQPM
XQS
XQI
XQC
Pipe fittings
XRPUT
XPSF
XPOF
XPEL
XPSMF
XPFL
XPRMF
XPEFL
XPO
XPOHH
XPOH
XPZ
XPMT
XPSMT
XPSFT
XPFT
XPMST
XPMMT
XPHTM
XPHTF
XPLB
XPYT
XPMFM
XPFC
XPBB
XPFCT
XPTB
Qucik coupler
SH
SF
SM
SP
PH
PF
PM
PP
SML
SMT
SMM
SMX
SMV
SMY
SML-A
SMT-A
SMM-A
Silencer
A Type Series Muffle...
B Type Series Muffle...
V Type Series Muffle...
V-1 Silencer With Pl...
V-3 Muffer With Plat...
Inserting Type Silen...
SC Type Series Muffl...
SEB Type Series Muff...
SET Type Series Muff...
SCQ Type Series Muff...
D Type Series Muffle...
SSM Type Series Muff...
SEB-B-1 Piveted And ...
SS-V Type Series
SSDV Type Series
SDV Type Series Muff...
A Type Exhaust Muffl...
SD Type Series Muffl...
B Type Exhaust Muffl...
DS Type Exhaust Muff...
C Type Exhaust Muffl...
E Type Exhaust Muffl...
SS-PDK Type Exhaust ...
PTV Plastic Exhaust
LM Type Series Alumi...
AM Type Series Alumi...
PSU Type Series Muff...
PSE Type Plastic Muf...
SU Type Plastic Muff...
Air gun
AG-B-S
AG-A-S
AG-B-L
AG-A-L
DG-10
XAG-B-L
HG-8
PU/PE/NY tubing
PU-TUBE
PE-TUBE
NY-TUBE
PU-SPIRAL-TUBE
TUBE-CUTTER
Pressure gauge
Seal ring
Metal Speed controls
XMNSE
XMNSE-G
XMNSP-G
XMNSP
XMNSR
XMNSF
Pneumatic Actuator
Pneumatic Actuator
SEARCH
XOU Series Air Source Treatment Unit
:0086-574-27830006 27830026
:0086-574-87303358
:0086-13777099669
:Fiona Zhou
:
sales@china-xcpc.com
:Daao industry zone Xikou town Ningbo City,zhejiang,Province
yina-zhou@hotmail.com
xcpcfiona
Home
Products
Pneumatic cylinder accessories
TC Type
TC Type
Pneumatic cylinder accessories
+ Sub-series
I Type Joint
FA-FB Type Flange
LB Foot Rest
Y Type Joint
TC-M Type
CA Type Single Earring
CB Type Double Earring
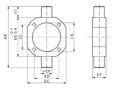
Overall Dimensions
TC Type
符号/ 缸径
40
50
63
80
100
125
160
200
EB
113
126
138
164
182
210
264
336
EC
63
76
88
114
132
160
200
240
ED
37
47
56
70
84
110
140
175
EE
63
76
88
114
132
160
200
240
EG
25
25
25
25
25
25
32
48
EP
25
25
25
25
25
25
32
38
ET
30
30
30
30
40
30
38
44
S
45.5
55.5
68.5
87.5
107.5
134.5
172.5
212.5
© Copyright 2011 Ningbo Xinchao
Ningbo Xinchao Automatization Component Co., Ltd. Allright
Sales & Services
|
R & D
|
Contact Us
|
Link Exchange
|
RSS
|
Site Map
ONLINE
Fiona
Fiona1
Sales