
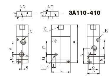
Dimension Sheet-3A110~410
|
Model
|
A
|
B
|
C
|
D
|
E
|
F
|
G
|
H
|
I
|
J
|
K
|
L
|
M
|
N
|
O
|
P
|
Q
|
R
|
|
3A110-M5
|
16
|
14
|
3-M5
|
G1/8"
|
56.5
|
21
|
11.5
|
2-Φ3.3
|
7.7
|
27
|
2-Φ3.3
|
19
|
12.5
|
23
|
13
|
18
|
/
|
/
|
|
3A110-06
|
16
|
14
|
3-G1/8"
|
G1/8"
|
56.5
|
21
|
11.5
|
2-Φ3.3
|
7.7
|
27
|
2-Φ3.3
|
19
|
12.5
|
23
|
13
|
18
|
1
|
2
|
|
3A210-06
|
22.5
|
16
|
3-G1/8"
|
G1/8"
|
70
|
25
|
15
|
2-Φ3.3
|
8
|
35
|
2-Φ3.3
|
30
|
12.5
|
27.5
|
17
|
22
|
1.5
|
/
|
|
3A210-08
|
22.5
|
16
|
3-G1/4"
|
G1/8"
|
70
|
25
|
15
|
2-Φ3.3
|
8
|
35
|
2-Φ3.3
|
30
|
12.5
|
27.5
|
17
|
22
|
1.5
|
3
|
|
3A310-08
|
24
|
20.5
|
3-G1/4"
|
G1/8"
|
80.5
|
30
|
17.5
|
2-Φ4.3
|
10.5
|
40
|
2-Φ4.3
|
35
|
15
|
32.5
|
20
|
27
|
/
|
/
|
|
3A310-10
|
24
|
20.5
|
3-G3/8"
|
G1/8"
|
80.5
|
30
|
17.5
|
2-Φ4.3
|
10.5
|
40
|
2-Φ4.3
|
35
|
15
|
32.5
|
20
|
27
|
/
|
/
|
|
3A410-15
|
31.5
|
25.5
|
3-G1/4"
|
G1/8"
|
/
|
51
|
15.5
|
2-Φ4.3
|
11.5
|
50
|
2-Φ4.3
|
/
|
/
|
41.5
|
27
|
34
|
2
|
/
|
|

Dimension Sheet-3A120~420
|
Model
|
A
|
B
|
C
|
D
|
E
|
F
|
G
|
H
|
I
|
J
|
K
|
L
|
M
|
N
|
O
|
P
|
Q
|
R
|
|
3A120-M5
|
16
|
26.5
|
3-M5
|
G1/8"
|
69
|
21
|
24
|
2-Φ3.3
|
7.7
|
27
|
2-Φ3.3
|
19
|
12.5
|
34.5
|
13
|
18
|
/
|
/
|
|
3A120-06
|
16
|
26.5
|
3-G1/8"
|
G1/8"
|
69
|
21
|
24
|
2-Φ3.3
|
7.7
|
27
|
2-Φ3.3
|
19
|
12.5
|
34.5
|
13
|
18
|
1
|
2
|
|
3A220-06
|
22.5
|
35.5
|
3-G1/8"
|
2-G1/8"
|
84
|
25
|
29.5
|
2-Φ3.3
|
8
|
35
|
2-Φ3.3
|
30
|
27
|
45.5
|
17
|
22
|
1.5
|
/
|
|
3A220-08
|
22.5
|
35.5
|
3-G1/4"
|
2-G1/8"
|
84
|
25
|
29.5
|
2-Φ3.3
|
8
|
35
|
2-Φ3.3
|
30
|
27
|
45.5
|
17
|
22
|
1.5
|
3
|
|
3A320-08
|
24
|
24
|
3-G1/4"
|
2-G1/8"
|
96
|
30
|
33
|
2-Φ4.3
|
10.5
|
40
|
2-Φ4.3
|
35
|
30.5
|
48
|
20
|
27
|
/
|
/
|
|
3A320-10
|
24
|
24
|
3-G3/8"
|
2-G1/8"
|
96
|
30
|
33
|
2-Φ4.3
|
10.5
|
40
|
2-Φ4.3
|
35
|
30.5
|
48
|
20
|
27
|
/
|
/
|
|
3A420-15
|
31.5
|
31.5
|
3-G1/4"
|
2-G1/8"
|
/
|
51
|
/
|
2-Φ4.3
|
11.5
|
50
|
2-Φ4.3
|
/
|
/
|
55
|
27
|
34
|
2
|
/
|
|


Dimension Sheet-3V110~410
|
Model
|
A
|
B
|
C
|
D
|
E
|
F
|
G
|
H
|
I
|
J
|
K
|
L
|
M
|
N
|
O
|
P
|
Q
|
R
|
S
|
T
|
|
3V110-M5
|
16
|
14
|
3-M5
|
53.5
|
32.5
|
2.5
|
21
|
12
|
85.8
|
7.7
|
27
|
2-Φ 3.3
|
2-Φ 3.3
|
23
|
19
|
12.5
|
13
|
18
|
/
|
/
|
|
3V110-06
|
16
|
14
|
3-G1/8"
|
53.5
|
32.5
|
2.5
|
21
|
12
|
85.8
|
7.7
|
27
|
2-Φ 3.3
|
2-Φ3.3
|
23
|
19
|
12.5
|
13
|
18
|
1
|
1
|
|
3V210-06
|
18
|
21
|
3-G1/8"
|
66.5
|
40
|
3
|
25
|
15
|
111.5
|
8
|
35
|
2-Φ 3.3
|
2-Φ3.2
|
31
|
33
|
12.5
|
17
|
22
|
1.5
|
1.5
|
|
3V210-08
|
18
|
21
|
3-G1/4"
|
66.5
|
40
|
3
|
25
|
15
|
111.5
|
8
|
35
|
2-Φ 3.3
|
2-Φ3.2
|
31
|
33
|
12.5
|
17
|
22
|
1.5
|
1.5
|
|
3V310-08
|
24
|
20.5
|
3-G1/4"
|
69
|
40
|
2.4
|
30
|
17.5
|
119.5
|
10.5
|
40
|
2-Φ 4.3
|
2-Φ4.3
|
32.5
|
35
|
15
|
20
|
27
|
/
|
/
|
|
3V310-10
|
24
|
20.5
|
3-G3/8"
|
69
|
40
|
2.4
|
30
|
17.5
|
119.4
|
10.5
|
40
|
2-Φ 4.3
|
2-Φ4.3
|
32.5
|
35
|
15
|
20
|
27
|
/
|
/
|
|
3V410-15
|
31.5
|
25.5
|
3-G1/4"
|
74
|
/
|
/
|
51
|
15.5
|
137
|
115
|
50
|
2-Φ 4.3
|
2-Φ4.3
|
41.5
|
/
|
/
|
/
|
/
|
2
|
2
|
|
Dimension Sheet-3V120~420
|
Model
|
A
|
B
|
C
|
D
|
E
|
F
|
G
|
H
|
I
|
J
|
K
|
L
|
M
|
N
|
O
|
P
|
Q
|
R
|
S
|
T
|
|
3V120-M5
|
16
|
55.8
|
3-M5
|
53.5
|
32.5
|
2.5
|
21
|
53.3
|
127.6
|
7.7
|
27
|
2-Φ 3.3
|
2-Φ 3.3
|
63.8
|
19
|
54.3
|
13
|
18
|
/
|
/
|
|
3V120-06
|
16
|
55.8
|
3-G1/8"
|
53.5
|
32.5
|
2.5
|
21
|
53.3
|
127.6
|
7.7
|
27
|
2-Φ 3.3
|
2-Φ3.3
|
63.8
|
19
|
54.3
|
13
|
18
|
1
|
2
|
|
3V220-06
|
18
|
74.5
|
3-G1/8"
|
66.5
|
40
|
3
|
25
|
68.4
|
165
|
8
|
35
|
2-Φ 3.3
|
2-Φ3.2
|
84.5
|
33
|
66
|
17
|
22
|
1.5
|
/
|
|
3V220-08
|
18
|
74.5
|
3-G1/4"
|
66.5
|
40
|
3
|
25
|
68.4
|
165
|
8
|
35
|
2-Φ 3.3
|
2-Φ3.2
|
84.5
|
33
|
66
|
17
|
22
|
1.5
|
3
|
|
3V320-08
|
24
|
75
|
3-G1/4"
|
69
|
40
|
2.4
|
30
|
72
|
174
|
10.5
|
40
|
2-Φ 4.3
|
2-Φ4.3
|
87
|
35
|
69.4
|
20
|
27
|
/
|
/
|
|
3V320-10
|
24
|
75
|
3-G3/8"
|
69
|
40
|
2.4
|
30
|
72
|
174
|
10.5
|
40
|
2-Φ 4.3
|
2-Φ4.3
|
87
|
35
|
69.4
|
20
|
27
|
/
|
/
|
|
3V420-15
|
31.5
|
79.5
|
3-G1/4"
|
74
|
/
|
/
|
51
|
/
|
190.5
|
115
|
50
|
2-Φ 4.3
|
2-Φ4.3
|
95
|
/
|
/
|
/
|
/
|
2
|
/
|
|